Product  ·  Forge
Build trust into your asset models from the start
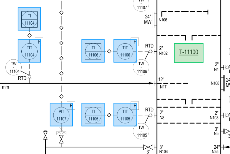
Deploy PI AF models 80% faster with AI-powered P&ID parsing, intelligent tag mapping, and built-in validation. Recover time back from bandwidth-constrained SMEs.

Built for speed, accuracy, and trust

AI-Powered P&ID Parsing
Extract 500+ instruments from P&IDs in minutes instead of 40 hours of manual typing. 90%+ accuracy even on legacy scanned documents.
Intelligent Tag Mapping
Find the right process tag in 2 minutes (not 15) with purpose-built scoring algorithm.
Pre-Deployment Validation
Validate data integrity, instrument ranges, and UOM consistency before deployment. Eliminates 2-3 weeks of typical post-deployment rework.

Measurable impact on AF deployment speed and quality

80%
Faster AF deployment. Accelerate time to value.
15min → 2min
Per-tag mapping time with intelligent recommendations and validation.
Zero
Post-deployment rework through comprehensive validation workflows.

How Forge Accelerates Your AF Projects

From P&ID upload to production-ready AF model in weeks, not months

1

Upload P&IDs

Drag & drop PDF or image files. Forge handles legacy scanned and multi-sheet projects.

2

AI Extracts Tags

Computer vision identifies 500+ instruments in minutes with 90%+ accuracy. Reduces 40 hours to 2 hours.

3

Smart Mapping

Smart matching recommends process tags with 84% confidence. Flags questionable tags automatically.

4

Validate Quality

Pre-deployment validation catches data quality issues, wrong UOMs, and range errors before they reach production.

5

Deploy Model

Generate production-ready formats automatically

Manual AF Building vs Forge Automation

Task Manual Process With Forge
Extract Tags from P&ID 40 hours per project typing into Excel spreadsheets 2 hours with AI-powered OCR (90%+ accuracy)
Find and Map Single Tag 15 minutes searching PI System, validating data manually 2 minutes with intelligent recommendations (94% confidence)
Validate Tag Data Quality Manual spot-checking, issues found after deployment during testing Automated validation before mapping, zero rework
Build Complete AF Model (500 tags) 6-8 weeks with 2-3 weeks of post-deployment rework 1-2 weeks production-ready on first deploy

Extract Tags from P&ID

Manual Process
40 hours per project typing into Excel spreadsheets
With Forge
2 hours with AI-powered OCR (90%+ accuracy)

Find and Map Single Tag

Manual Process
15 minutes searching PI System, validating data manually
With Forge
2 minutes with intelligent recommendations (94% confidence)

Validate Tag Data Quality

Manual Process
Manual spot-checking, issues found after deployment during testing
With Forge
Automated validation before mapping, zero rework

Build Complete AF Model (500 tags)

Manual Process
6-8 weeks with 2-3 weeks of post-deployment rework
With Forge
1-2 weeks production-ready on first deploy

Average time savings: 80% reduction in AF deployment time

Explore for your next or current AF project

See how Forge transforms P&IDs into trusted, production-ready AF models in weeks instead of months

Osprey Logo Osprey helps teams trust and automate the manual tasks behind their OT data.